back.gif (853 octets) Diagrammes électriques

Cliquer sur les repères plans pour afficher le diagramme électrique correspondant.

Nota: Dans tous les shémas

Moteurs 16SV, 18SV 20NE, 20SEH

repères 166 à 259

Moteurs 20XE

repères 260 à 299

Tableau de bord instrumentation

repères 300 à 370

Instrumentation

repères 373 à 433

Eclairage

repères 432 à 498

Equipements électriques

repères 500 à 566

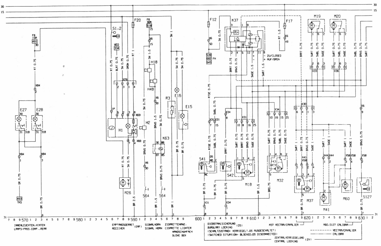
Equipements électriques

repères 569 à 630

Alarme, Ordinateur de bord, vitres électriques

repères 633 à 699

ABS, 4x4, Correcteur d'assiette

repères 701 à 771

Transmission automatique, air conditionné

repères 769 à 836

Téléphone, Auto-radio, Transmission automatique

repères 300 à 399

       

back.gif (853 octets)